Category

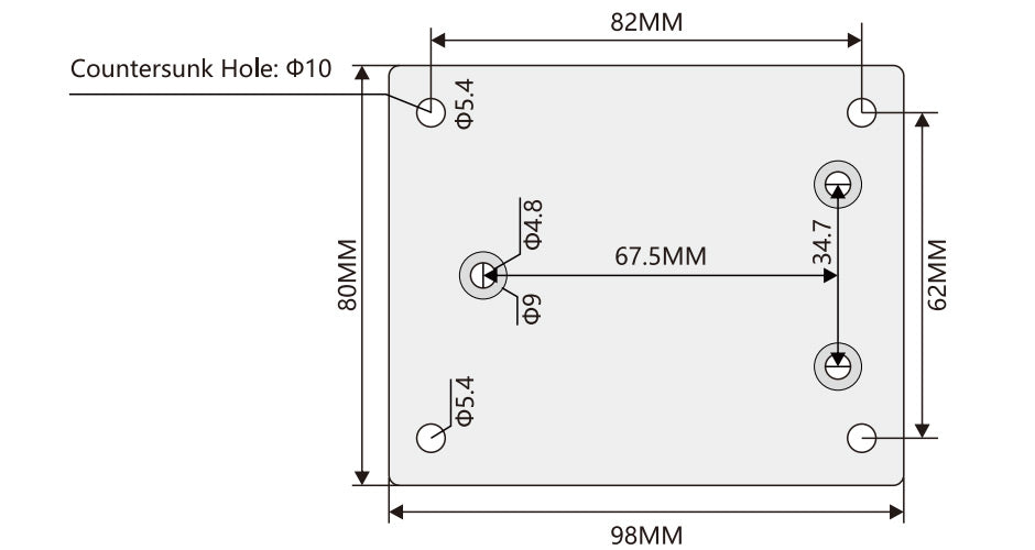
IPS-B11 Bottom Plate

DIMENSIONS APPLICABLE ACTUATORS
TYPE
-
+
$5.00

DIHOOL

96 In Stock

DIMENSIONS


APPLICABLE ACTUATORS